VW Kübel
Auf dieser Seite finden Sie Neu- und Gebrauchtteile für den VW 181 (Kübelwagen). Da wir noch nicht alles auf unserer Internetseite eingestellt haben, was auf Lager ist, lohnt eine Nachfrage immer! Sie können uns auch gerne anrufen und mit mir persönlich sprechen.
![]() |
Schaltgetriebe VW 181, 4-Gang-Doppelgelenkachse (Schräglenker), generalüberholt |
![]() |
![]() |
![]() |
![]() |
| VW 181 Schaltgetriebe Pendelachse, 4-Gang mit Vorgelege, gebraucht Die Getriebe sind aus Bundeswehr-Schlacht- fahrzeugen. Die Bremsanlage (Beläge, Radbrems- zylinder und die Seile sind kaputt und umsonst mit dabei. Ebenso die Achsrohrmanschetten. Funktion nicht geprüft. Bis Fahrgestellnummer 183 234 6524. VW-Nummer 181 300 043 A Kennbuchstabe AK Kein Versand. Preis 800,- € |
![]() |
![]() |
![]() |
![]() |
![]() |
![]() |
VW 181 Kübelwagen Original VW-Vorderachse Neuwertig aus Lagerbestand, wie abgebildet. Mit Lenkgetriebe und Spurstangen. Stoßdämpfer, Bremsbacken mit Belägen und die Radbremszylinder sind vom Stehen defekt und kostenlos mit dabei. Länge ca. 155 cm. VW-Nummer 181 400 025 B Kein Versand. Preis 2600,- € |
![]() |
![]() |
![]() |
![]() |
|
VW 181 Kübelwagen Original VW-Vorderachse |
|
![]() |
![]() |
![]() |
![]() |
![]() |
VW 181 Kübelwagen Original VW-Vorderachse |
![]() |
![]() |

![]() |
![]() |
|
VW 181 Kübelwagen Original VW-Vorderachskörper |
Abstützung Vorderachse, gebraucht |
![]() |
![]() |
| Halterung Unterfahrschutz rechts, gebraucht Einzelstück! Bildtafel 26, Pos. 15 VW-Nummer 181 401 292 A Preis 40,- € |
Original Unterfahrschutz, gebraucht Abbildung beispielhaft. Bildtafel 49, Pos. 2 VW-Nummer 181 801 245 Preis 90,- € |

![]() |
![]() |
|
Original Traghebel links oben, gebraucht |
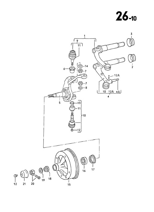
Original Traghebel links unten, gebraucht Die Staubschutzkappe ist defekt. Sie bekommen den abgebildeten Traghebel geliefert. Bildtafel 26-10, Pos. 4 VW-Nummer 181 405 151 A Preis 90,- € |
![]() |
![]() |
| Original Traghebel rechts oben, gebraucht Die Staubschutzkappe ist defekt. Sie bekommen den abgebildeten Traghebel geliefert. Bildtafel 26-10, Pos. 1 VW-Nummer 181 405 104 Preis 90,- € |
Original Traghebel rechts unten, gebraucht Die Staubschutzkappe ist defekt. Sie bekommen den abgebildeten Traghebel geliefert. Bildtafel 26-10, Pos. 10 VW-Nummer 181 405 152 A Preis 90,- € |
![]() |
![]() |
| Original Achsschenkel links, gebraucht Sie bekommen den abgebildeten Achsschenkel geliefert. Bildtafel 26-10, Pos. 5 VW-Nummer 181 405 311 A Preis 150,- € |
Original Achsschenkel rechts, gebraucht Sie bekommen den abgebildeten Achsschenkel geliefert. Bildtafel 26-10, Pos. 5 VW-Nummer 181 405 312 A Preis 150,- € |
![]() |
![]() |
|
Original VW Bremstrommeln vorne, gebraucht |
Original VW Bremstrommeln vorne, gebraucht Sehr guter Zustand. Nur als Paar. Sie stammen von einem Fahrzeug. In der Trommel befinden sich noch Reste vom Radlager. Diese sind geschenkt mit dabei. Sie bekommen die abgebildeten Bremstrommeln geliefert. Bildtafel 26-10, Pos. 15 VW-Nummer 181 405 615 Preis 180,- € (zwei Stück) |
![]() |
|
| Original VW Bremstrommeln vorne, neu Lagerbestand. Made in Germany Nur als Paar. Sie bekommen die abgebildeten Bremstrommeln geliefert. Bildtafel 26-10, Pos. 15 VW-Nummer 131 405 615 A Preis 220,- € (zwei Stück) |
![]() |
Kotflügel vorne links, gebraucht Originaler Kotflügel gebraucht mit Beulen und Rost. Anbauteile wie Blinker u.a. sind kostenlos mit dabei. Versand möglich. Sie bekommen den abgebildeten Kotflügel geliefert. VW-Nummer 181 821 021 F Preis 250,- € |
![]() |
![]() |
| Kotflügel vorne rechts, gebraucht Originaler Kotflügel gebraucht mit Beulen und Rost. Anbauteile wie Blinker u.a. sind kostenlos mit dabei. Versand möglich. Sie bekommen den abgebildeten Kotflügel geliefert. VW-Nummer 181 821 022 F Preis 250,- € |
![]() |
![]() |
![]() |
![]() |
Kotflügel hinten links, gebraucht Originaler Kotflügel gebraucht mit Beulen und Rost. Anbauteile wie Blinker u.a. sind kostenlos mit dabei. Versand möglich. Sie bekommen den abgebildeten Kotflügel geliefert. VW-Nummer 181 821 301 Preis 150,- € |
![]() |
![]() |
| Kotflügel hinten rechts, gebraucht Originaler Kotflügel gebraucht mit Beulen und Rost. Anbauteile wie Blinker u.a. sind kostenlos mit dabei. Versand möglich. Sie bekommen den abgebildeten Kotflügel geliefert. VW-Nummer 181 821 302 Preis 150,- € |
![]() |
![]() |
![]() |
![]() |
![]() |
![]() |
![]() |
![]() |
Haube vorne, gebraucht Die Haube ist in einem guten Zustand, hat jedoch eine kleine Beule am Rand, siehe Bild links. Es sind noch andere Hauben zur Auswahl auf Lager. Kein Versand. VW-Nummer 181 823 031 B Preis 120,- € |
Motorraumhaube hinten, gebraucht
Bundeswehrversion mit Befestigungslöchern für das Tarnbremslicht. Wie auf den Bildern zu sehen, haben wir beide Versionen mit oder ohne Sicken vorrätig. Versand möglich.
VW-Nummer 181 827 025
Preis 160,- € pro Stück
![]() |
![]() |
![]() |
![]() |
























































